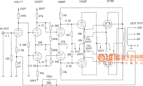
麦景图功放mc275电路图

相关图片

麦景图275胆机功率放大器电路图

麦景图功放mc275电路图

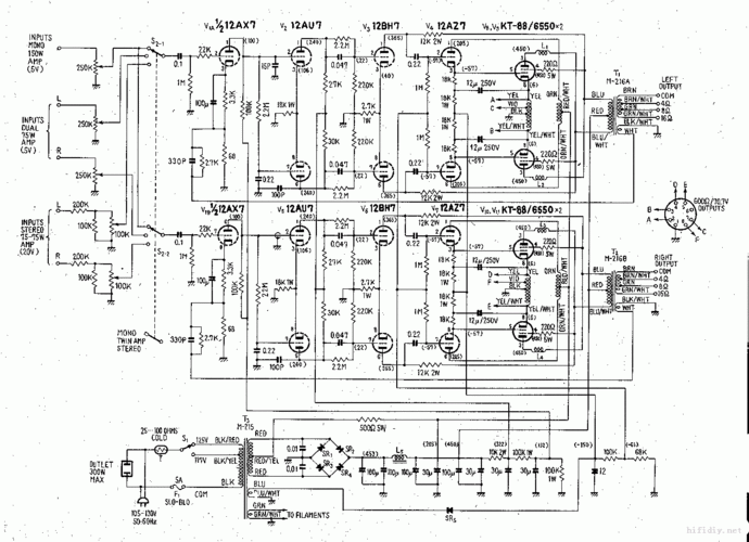
胆机电路图大全之国外篇115种胆机电路图

[组图]胆机电源

求kt88并联推挽的电路图麻烦j版和各位dx了

随机推荐

周笔畅##周笔畅演唱会官宣##周笔畅女大十八变巡回演唱会

编发教程之四股圆辫.夏天太热,长发碍事 编辫子是不错的选择 - 抖音

香港tvb男演员配角 那些面孔熟悉的资深绿叶们(7)_港台星闻_明星-超级

手工水饺易拉宝设计图__招贴设计_广告设计_设计图库_昵图网nipic.com

创造101选手名单完整版介绍国内实力女团网红都在这里

射手座的爱很卑微,因为爱人的一句话,会心花怒放,也会心痛欲绝

2015年度全国规划评优北京市海淀北部地区拟保留村庄规划发展研究

山河令温客行周子舒绘画作品