48v20ah电动车充电器改小为48v12ah实例

相关图片

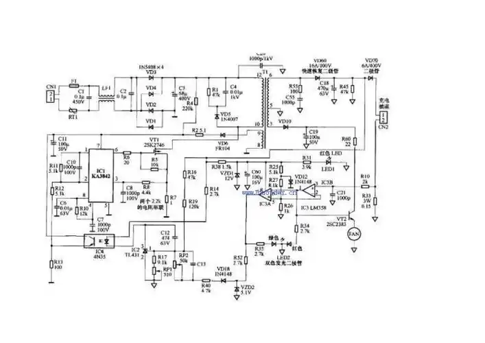
48v电动车充电器电路图

48v电动车充电器电路图

48v电动车充电器电路原理图

绿源电动车48v充电器电路原理图

请教家电高手:多余1个72v和1个48v电动车充电器,我想改成12v充电器,给

随机推荐

李若彤,传世银幕传奇,永恒的小龙女,抢先看|演员|影视圈|小说家|神雕

tfboys官博晒出三小只的背影照,依旧那么熟悉

杨幂的旗袍妆容,看起来可还行?

剁椒鱼头是一道湘菜名菜,这道菜也被称作"鸿运当头","开门红 - 抖音

53岁古天乐衰老加速度,头发稀疏脸像"蜡像人",至今未婚

闽南石头歌功颂德(谢万智词,何丽华曲)

大宇(daewoo) 多功能电煮锅 dyhg-4032

治疗藓类的药膏