48v电动车充电器电路图

相关图片

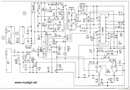
绿源电动车48v充电器电路原理图

奥斯48v电动车充电器故障检修

48v电动车充电器原理图-可控硅专项电路图-电子产品世界

请教家电高手:多余1个72v和1个48v电动车充电器,我想改成12v充电器,给

48v20ah电动车充电器改小为48v12ah实例

随机推荐

盘点霍建华的古装造型,美如画的白子画,经典剧徐长卿

林心如:在每个年龄段,我都想活得精彩_时候_女神_生活

儿童画和谐社会线稿人物科技手绘

你的壁纸该换了##渐变色##绿色##简约##护眼##手机壁纸

十二星座女生专属古风头像天秤座美艳天蝎座高冷你的呢

32岁王晓晨体重不到90斤,身着泳装纤腰细腿,姐姐是真的美

芳道居 止怒字画办公室书房桌面摆台相框控制脾气提醒自己不生气书法

期待已久的二次元动漫头像来啦