美的cfxb40-32全自动电饭煲控制电路图

相关图片

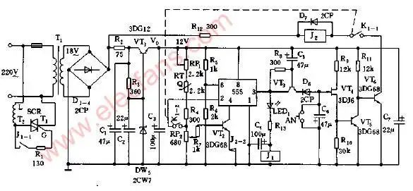
电饭煲用控制电路

原理图第1页 下一页 相关主题 你可能喜欢 电磁炉原理图 美的电饭煲

电饭锅电路图电饭煲的电路工作原理

普通电饭锅电路图

>电饭锅电路图02

随机推荐

懒理老公约会美女?周慧敏晒与黄凯芹合唱视频,对方被爆曾暗恋她

日本艺术家笠井一男水彩风景画欣赏

动漫手绘头像,一家四口头像合集,全家福微信头像

【山河令】温客行周子舒阿絮

夕阳下孤独背影意境写真

【校园足球】三亚外国语学校足球班开课

帅气僵尸头像一起连在一起

人鱼