理解原理,快速学会接线的法宝 电动机点动与连续运行控制电路原理图 2

相关图片

多吊点吊篮控制电路

经典电路电动机点动控制线路介绍

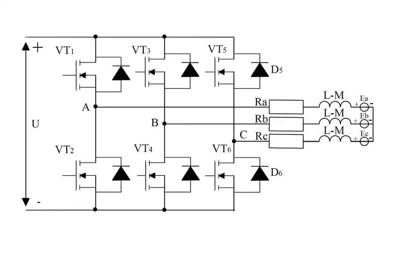
无刷电机控制器原理图,无刷电机控制电路-图片大观-奇异网

两地点动和单向启动控制电路

电动机自耦降压启动自动控制电路组图

随机推荐

胡歌亮相新剧开播发布会,身着深蓝色西装,大背头是标配_时尚_黑色

种最火短发送给大家(短发图片女2020最新款发型)"

【来了】虎牙-洋气黄18001_2021-04-14

风暴舞 古力娜扎

流汗黄豆人表情包

摄影风早安问候祝福正能量海报日签

为何有的人满脸"黄褐斑",有的却很干净?说明什么?

简单场景