涉及一种智能化电热锅,包括锅体,锅座,电热管加热装置和电路控制装置

相关图片

高压锅电路接线图

苏泊尔智能电炖锅tg30yc1-60不加热故障快修一例

苏泊尔电压力锅c丫sb5ofd9一1oo电路图

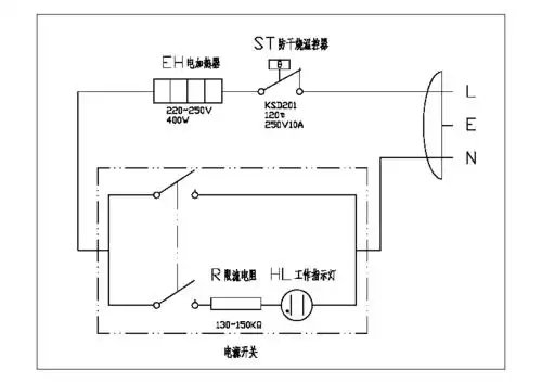
欧得cdk16a多功能不粘电热锅电路图

电热锅典型故障维修一例_文档下载

随机推荐

赵寅成头像高清图片【点击鼠标右键下载】

手指八卦,掐指算九宫飞星

戛纳##戛纳红毯##g社拍的龚俊

宜家视频事件zw流出,新版迪卡侬,世道变了!(附视频)

男生碎盖合集男士发型参考根据脸型选发型

人间蜜桃崔雪莉ins

红包灯笼教程2

rainbow- sunshine 韩国女团 性感热舞 秀美腿粉丝大赞 mv