电路原理图设计

相关图片

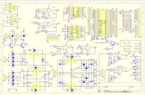
南昌理工学院电子设计大赛电路原理图(数显顺序控制器)-综合电路图

数字电路倒计时毕业设计论文

室内智能照明控制系统电路设计-其他控制电路图-电子产品世界

经典电路设计,高手求助

2021数字电路课程设计 一位十进制数加减法运算电路

随机推荐

动漫人物绘画#10岁动漫 #图文伙伴计划 #一起学画画 #马 - 抖音

三只(不完美小孩)

2021二零二一牛年新春快乐4k高清壁纸

筋骨草

吴佩柔

壁纸文字三屏

看了袁泉的穿搭我发现:奔五女人穿衣"简约=高级",照着穿准美_色彩

小朋友们不要闹得太过分哦_表情包_斗图图片