锂电池充电器电路

相关图片

tl431中文资料 手机充电器电路原理图 恒温烙铁 铅酸电池 电子元器件

汽车电池充电器电路图

简单实用的锂电池充电器电路

基于锂电池充电器的设计与制作: 20121112053629221273911.jpg

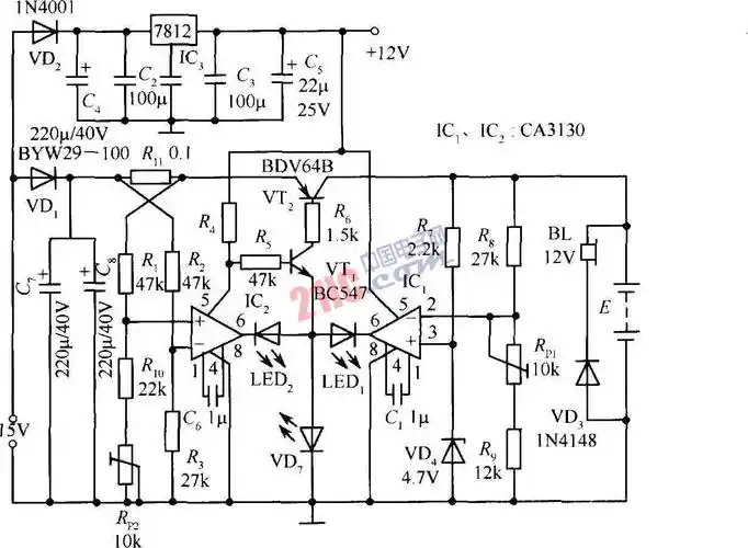
利用这个ic装制的充电器电路如下(图二)ic内含一个高精度的615mv基准

随机推荐

古代男子发型有哪些?飘逸潇洒不存在,唐宋时期最可爱

盘点娱乐圈未婚先育的十对明星,哪些是你现在才知道的

少年的你票房口碑双丰收易烊千玺分享拍摄感悟

诗和远方越远越脏最近很流行的现代诗集之熊本熊版熊本熊卡通表情

绿谷出久头像最近很火的我的英雄学院绿谷出久可爱头像

唯美治愈系二次元软妹子手绘卡通高清桌面壁纸(2)

供应链之痛的10年数智化答案隐藏着京东云服务实体产业的dna

ootd|175cm150斤微胖男生夏季显瘦穿搭 哈哈哈哈哈哈 因为之前有宝子