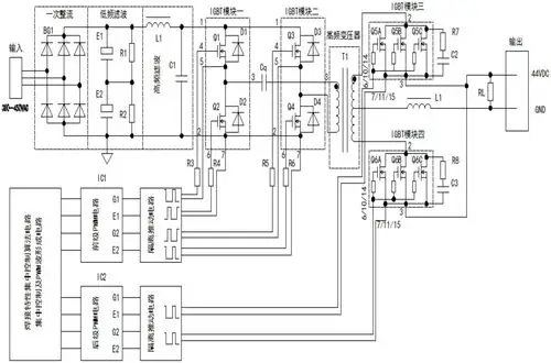
二保焊机原理电路图

力焊机使用说明书

图片尺寸1509x1080

无忧文档 所有分类 工程科技 电子/电路 nbc250控制板原理图 第1页 你

图片尺寸791x1104

逆变弧焊机控制电路设计与调试

图片尺寸813x467

弧焊机电路图

图片尺寸2033x1440

焊机电原理图讲解

图片尺寸540x960

当前第1页) 你可能喜欢 逆变焊机电路图 焊机维修手册 氩弧焊机原理

图片尺寸775x611

电焊机电路图

图片尺寸920x651

控制电路

图片尺寸872x552

等离子焊机原理图 (第1页)

图片尺寸2339x1654

zx5―630可控硅整流弧焊机电路

图片尺寸1247x765

蓄电池电焊机电路图

图片尺寸1438x910

wsm--160逆变氩弧焊机电路原理图

图片尺寸2056x1170

图片合集逆变焊机电路图wsm-200逆变氩弧焊机电路原理图

图片尺寸1200x848

电焊机电路图

图片尺寸1509x988

松下气保焊机与机头连接电路图

图片尺寸2000x2667

cn213318232u_一种前后级双重控制的高性能逆变焊机电路有效

图片尺寸2704x1784

逆变焊机zx7-315逆变焊机电器维修原理图zx7250电焊机3525管有什么

图片尺寸3509x2481

电焊机电路

图片尺寸464x417

igbt逆变直流弧焊机检修纪实奥太逆变式二氧化碳气体保护焊机/二保焊

图片尺寸2368x1633

逆变电焊机原理及图纸

图片尺寸1119x739