麦景图功放电路图

03 哪位大师,有麦景图275电路图的,发一份给我,谢谢

图片尺寸1600x1029

麦景图c22电子管前级放大器电原理图.jpg

图片尺寸900x636

麦景图c22唱放前级放大器电路图

图片尺寸668x503

功放电路

图片尺寸1027x446

功放电路图大全(四)

图片尺寸772x582

见麦景图 mc275 很合适,也有电路图.但有很多问题没搞清

图片尺寸1417x1091

功放电路图大全一

图片尺寸1521x1003

麦景图c20_sch[1]

图片尺寸2544x3268

请教个晶体管功放自耦输出变压器的问题

图片尺寸2658x1953

求音质极佳的后置功放电路图

图片尺寸946x659

经典的分立元件功放电路分享

图片尺寸600x354

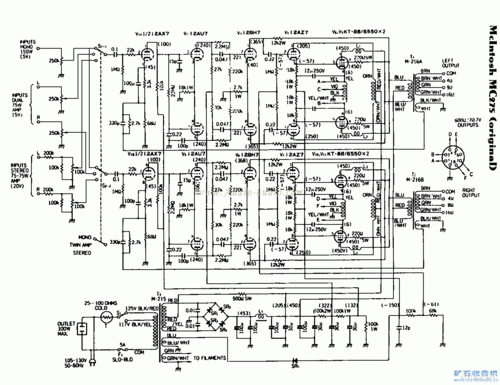
mcintosh麦景图mc175胆功放电路图

图片尺寸880x680

超大功率功放机电路图

图片尺寸662x497

麦景图c22功率放大器电路图

图片尺寸521x388

麦景图mc3500前级放大电路工作原理

图片尺寸1162x614

核心技术唯美力量美国mcintoshmc611600瓦单声道后级放大器

图片尺寸799x400

麦景图功放mc-275电路图

图片尺寸1000x599

麦景图功放mc275电路图

图片尺寸1000x599

麦景图275功放级的功放电子管采用kt88

图片尺寸1000x599

mcintosh麦景图ma230胆功放电路图

图片尺寸1296x653