新能源汽车控制电气图纸(新能源汽车的电路图识读规则)

相关图片

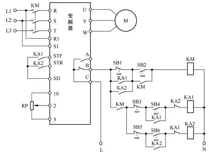
点动控制电路原理图

控制电路接线图doc7页

直流电机控制系统原理图

28例电气自动控制电路图,都是干货,快收藏吧!

控制电路实现顺序控制的电路图 - 2020年最新商品信息聚合专区 - 百度

随机推荐

王源超话#王源城市捉迷藏# 这组壁纸蛮喜欢99 @tfboys-王源 ps

头像女生自律给你带来的快乐更持久更高级

"金刚狼"休·杰克曼与"王牌特工"合体来中国了!

绝不是为了听那么一声响,那么马掌本来就能自己长出来的,为什么还需要

女星刘芊含穿紧身健身服运动展现优美身姿简直让人羡慕和嫉妒

法拉利拉法.#法拉利 - 抖音

油头粉面别尬演兵哥哥这6位男星演的军人才叫铁骨铮铮

卡通二次元场景手机壁纸