控制电路接线图doc7页

相关图片

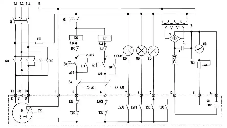
免费文档 所有分类 工程科技 电子/电路 电力拖动控制线路图及原理

直流电机控制系统原理图

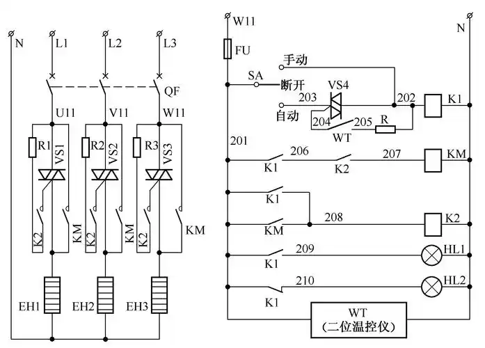
28例电气自动控制电路图,都是干货,快收藏吧!

28例电气自动控制电路图,都是干货,快收藏吧!

新能源汽车控制电气图纸(新能源汽车的电路图识读规则)

随机推荐

我和张翰的爱情故事

"千手修罗"唐三头像

卡卡西继承了代表着带土意志的写轮眼,加入了木叶的暗部,为木叶执行

韩雪的五官不算精致但身材比例真不错穿着高级礼服更显气质

2021时尚芭莎封面合集赵丽颖像公主倪妮似水母王一博像王爵

蛇冬眠,气温低.

儿童卡通野生动物. 小可爱的刺猬抱着一团浆糊

梦驼铃 歌谱简谱网