cn2857721y_具有焖饭,保温功能的电热锅失效

相关图片

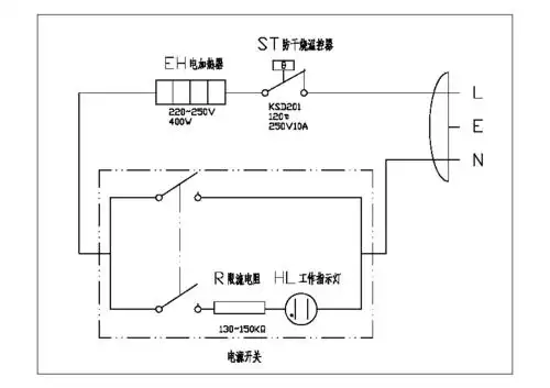
高压锅电路接线图

电热锅典型故障维修一例_文档下载

美的gd150-c型多功能不粘电热锅电路图

美的gh401型豪华自动电炖锅

我想做一个加热的系统求个电路图.温度能达到100度以上并保持恒温.

随机推荐

陈冠希的人生跌了不少跟头但他从未停止生长

孙艺珍出道20年不惧低谷 年轻凭美貌出道 与玄彬恋情|

原创追风者收视率和网播量齐飞王一博比肖战选剧本的能力强

粉色纯色睡衣

安以轩婚纱照花絮

李多海se7en婚礼现场照曝光,梦幻花海中浪漫亲吻

家庭秘密剧情介绍48集剧情介绍家庭秘密多少集大结局

经典电视剧推荐:《铁血尖刀》鲁小河是尖刀队神枪手,在性格是实在就是