二保焊机有电压没有电流是什么原因

相关图片

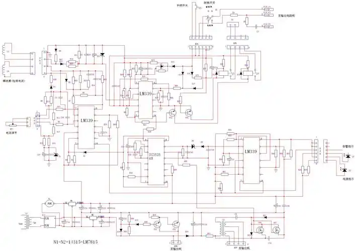
瑞凌焊机线路图!

nbc-250 抽头式二保焊机diy

电焊机电路图

该线路可在电焊机不工作时使交流电源切断,由此可以消除空载损耗,达到

交流电焊机电原理图(220v/380v焊机)

随机推荐

王力宏的电影 王力宏演过的抗日电影-百联百科

头文字d:藤原拓海86初登场对决高桥启介,再看几次都热血沸腾-动漫视频

ins森系治愈系意境背景图,森系风格图片(森系 治愈 清新 手绘 插画)

全新斯巴鲁brz官宣回归中国市场!明年3月底交付

李易峰 #微博电影之夜李易峰 #向全世界安利 - 抖音

微信气质漂亮女生头像

《腾空的日子》今首播李佳航移情"同桌的你"

有钱任性,张庭刚砸17亿大楼,又被曝双十一40亿备货豪华仓库