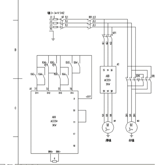
简单易制的桥式吊车控制电路

相关图片

小吊机好用!用的频率高了,就会出小问题,今天总算搞清楚接线原 - 抖音

电工实训项目教程09-2三相异步电动机的正反转控制线路ppt

葫芦吊接线

小型起重机起升使用变频器小型起重机起升使用变频器

要 接触器上的连线图.

随机推荐

新剧无热度马天宇被迫营业晒腹肌杨紫正于肖战甜蜜没时间宣传

王一博,肖战/博君一肖.手绘头像

晃你- 堆糖,美图壁纸兴趣社区

干锅鸡胗的做法

美丽的郁金香田在日落时,房子,树木,云彩 壁纸 - 1440x900

我的抖音生活日记 宝宝的小脚丫子9090#人类幼崽的脚丫 - 抖音

绘画|丙烯颜料风景画,厚厚的颜料堆积出大自然的缤纷色彩

目前上海房适合投资吗[视频作者] 兴凯湖莹莹[视频时长] 628举报违规